Matrizes com fixação normalizada tipo Europeu, disponível com diferentes raios para obter os melhores resultados de quinagem.
Disponível em comprimentos normalizados de 835mm, 415mm e 835mm seccionados.
As matrizes da Toolspress estão disponíveis nos seguintes materiais e durezas:
- Série IH – em aço C45, temperados por indução na zona de trabalho com dureza de 55 a 58 HRC.
- Série HR – em aço especial ligado 42CrMo4, temperado e revenido com dureza de 23 a 28 HRC no corpo e temperados por indução na zona de trabalho para obter uma dureza de 55 a 58 HRC.
- Série TH – em aço especial ligado 42CrMo4, com total profundidade de têmpera e dureza de 45 a 49 HRC em toda a ferramenta.
- Série GOLD – disponível apenas em referências selecionadas, possui um tratamento superficial que lhe permite obter durezas de 800 a 950 HV.
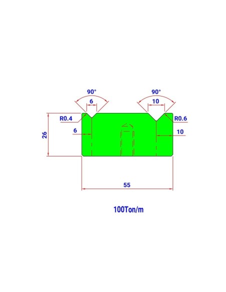
- Tipo de Ferramenta
- Matriz
- Dimensão do V (mm)
- 6
10 - Ânguloº
- 90º
No reviews

