Guia telescópica ST558
Esta guia telescópica reforçada com 4 elementos em aço inoxidável oferece uma grande extensão (>150%). A guia está equipada com um sistema de rolamentos de esferas que absorve o esmagamento e momentos de torção. Destina-se a cargas pesadas e condições de trabalho extremas em aplicações, que exijam uma extensão muito elevada.
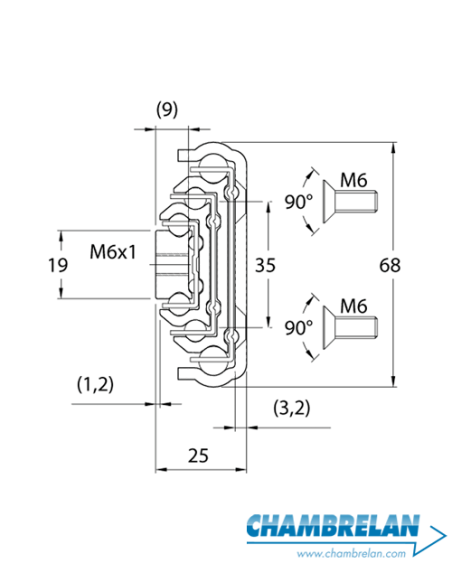
Esta guia tem as seguintes características técnicas:
- Guia fabricada com base em perfis de aço inoxidável trefilados a frio.
- Acabamento em bruto com polimento eletrolítico.
- Super-extensão>150% do seu comprimento fechada.
- Batentes muito sólidos na abertura e fecho, resistentes a utilizações extremas.
- As gaiolas e esferas de aço inoxidável asseguram um deslizamento suave.
- Lubrificação com massa lubrificante branca
- Comprimentos de 300 mm a 1200 mm.
- Capacidade de carga radial até 116 kg por par.
- Capacidade de carga axial até 30 kg por par.
- A super extensão permite um fácil acesso aos elementos movimentados, gavetas, bandejas, ferramentas.
- Graças às suas esferas de reforço, pode ser de montagem plana (mas não recomendamos esta montagem porque as cargas são reduzidas).
- Após adaptação de fábrica, esta corrediça telescópica pode ser montada verticalmente (montagem de guilhotina).
Tabela de dados
As especificações dadas neste produto correspondem à produção padrão ou às exigências actuais.
Comprimento mm | Extensão mm | Carga radial por par Kg | Carga axial por par Kg |
300 | 470 | 75 | 30 |
350 | 540 | 92 | 27 |
400 | 630 | 106 | 25 |
450 | 700 | 112 | 22 |
500 | 770 | 116 | 20 |
550 | 840 | 114 | 18 |
600 | 930 | 111 | 17 |
650 | 1000 | 105 | 15 |
700 | 1070 | 98 | 13 |
750 | 1140 | 90 | 12 |
800 | 1230 | 82 | 11 |
850 | 1300 | 73 | 10 |
900 | 1370 | 64 | 8 |
1000 | 1530 | 50 | 6 |
1100 | 1670 | 36 | Sob pedido |
1200 | 1830 | 25 | Sob pedido |
Opções
Sistema de fecho manual
ST558V bloqueio aberto: quando estendida, pressionar a fechadura para dobrar.
ST558F bloqueio fechado: quando dobrada, a fechadura deve ser pressionada para se desdobrar.
ST558VF bloqueio aberto e fechado: quando dobrada, a fechadura deve ser operada para se desdobrar e quando estendida, a fechadura deve ser pressionada para se dobrar.
Na maioria dos casos, apenas uma lâmina de fecho pode ser utilizada para fechar toda a gaveta. Isto torna fácil a instalação e a utilização.
Se estiver a instalar em veículos, por favor consulte-nos se estiver a planear utilizar lâminas de bloqueio.
A presença de bloqueios torna impossível o fabrico de certos comprimentos curtos. Além disso, algumas perfurações padrão podem ser impossíveis de fazer.
Não recomendamos a utilização de fechaduras para instalação vertical (tipo guilhotina).
Utilização a alta temperatura (tipo de forno)
Este modelo pode ser utilizado em ambientes de alta temperatura até 250°C. No entanto, são necessárias algumas adaptações:
- liberdade de montagem para permitir a expansão dos elementos sem bloquear a corrediça.
- Utilização de lubrificação a alta temperatura
- Remoção de todos os elementos plásticos.
Estas adaptações das lâminas devem ser efectuadas na fábrica, por isso, é importante informar-nos ao solicitar uma cotação e os prazos de entrega serão mais longos.
Modificação da extensão padrão
A extensão proposta neste modelo pode ser aumentada ou diminuída em 10%.
Um aumento na extensão reduz a carga máxima admissível.
Montagem vertical (tipo guilhotina)
Esta lâmina pode ser montada verticalmente (tipo guilhotina).
Pode ser utilizado em combinação com as pegas de bloqueio DHF CHAMBRELAN. Isto resulta numa gaveta de fecho muito simples que melhora a ergonomia de utilização.
Aplicações
Este guia telescópica é muito resistente, tanto em termos dos seus perfis trefilados a frio como dos seus pontos de operação. Destina-se a aplicações de gavetas deslizantes de serviço pesado ou que têm de suportar uma utilização intensa. Como está equipado com esferas de reforço, também pode ser montada por baixo da gaveta (montagem plana). Notar que da montagem plana resulta numa deflexão significativa.
As temperaturas de funcionamento recomendadas são de -20 a 80°C. Após adaptação de fábrica, podemos ir de -50 a 250°C
Este produto pode ser utilizado como gaveta de carga média, corrediça de caixa, barra telescópica, braço ou haste, corrediça do gerador, corrediça do móvel, guia de translação, corrediça de mesa extensível, carril suspenso, guia horizontal ou, em alguns casos, como guia vertical como para uma guia de caixa.
Lubrificação
Como padrão, as guias são ligeiramente lubrificados a partir da fábrica. É utilizada uma massa lubrificante de alta pressão para lâminas de aço, e uma massa lubrificante branca para lâminas de alumínio e aço inoxidável. A pedido, pode ser usada uma massa lubrificante de qualidade alimentar (compatível com salas limpas), uma massa lubrificante de alta temperatura, uma massa lubrificante sem teflon (cabines de pintura), uma montagem sem lubrificante (embora não recomendemos esta possibilidade).
Uma massa lubrificante de qualidade alimentar, combinada com esferas de aço inoxidável, oferece uma alternativa económica a todas as guias de aço inoxidável.
Modelos semelhantes
Este modelo tem modelos equivalentes com dimensões globais e padrões de perfuração semelhantes ou idênticos:
- D5 - Guia Telescópica de Extensão Total, Alumínio.
- R53 - Guia Telescópica de Extensão Parcial, Aço.
- RA5R - Guia Telescópica de Extensão Total, Aço.
- RA554 - Guia Telescópica Super Extensão, Aço.
- ST58 - Guia Telescópica de Extensão Parcial, Aço Inoxidável.
- ST508 - Guia Telescópica de Extensão Total, Aço Inoxidável.
- E50-G52 – Guia linear, Aço.
- ST50-GS52 – Guia linear, e
- Comprimento fechado (mm)
- 1100
- Material
- Inox
- Possibilidade Curso Duplo
- Não
- Série
- ST558
- Curso - Extensão [mm]
- 1670
- CoRad - Carga Radial [N]
- 350 (Por par de guias)
- CoAx - Carga Axial [N]
- Contactar-nos
- Bloqueio Aberto/Fechado
- :: Opcional ::
(ST558V) Bloqueio Aberto
(ST558F) Bloqueio Fechado
(ST558VF) Bloqueio Aberto e Fechado - Lubrificante p/ Indústria Quimica, Alimentar (USDA-H1)
- A pedido
- Carga Radial - Kg
- 0 - 49
- Carga Axial - Kg
- Não recomendado



