Guia Telescópica R71
Esta guia telescópica reforçada com 2 elementos de aço galvanizado oferece uma extensão parcial. É resistente ao esmagamento e aos momentos de torção graças às suas esferas de reforço. Destina-se a cargas pesadas em aplicações que exijam uma guia muito resistente.
Esta guia tem as seguintes características técnicas:
- Guia fabricada com base em perfis de aço trefilados a frio.
- Como padrão com uma protecção anticorrosiva em revestimento de zinco branco, com uma espessura média de 12 microns, o que oferece uma excelente resistência aos testes de pulverização salina.
- Está equipado com paragens livres na abertura e fecho.
- Tem gaiolas de aço electro-galvanizado.
- As suas esferas são feitas de aço cromado 100C6. É lubrificada com massa lubrificante de rolamento padrão.
- Comprimentos de 200 mm a 1700 mm,
- Capacidade de carga radial até 280 kg por par,
- Capacidade de carga axial até 122 kg por par.
- Além do fabrico standard há várias opções disponíveis (ver abaixo)
Tabela de Dados
As especificações dadas neste produto correspondem à produção padrão ou às exigências actuais.
Comprimento mm | Extensão mm | Carga radial por par Kg | Carga axial por par Kg |
200 | 80 | 140 | 115 |
250 | 130 | 140 | 120 |
300 | 180 | 140 | 122 |
350 | 230 | 140 | 120 |
400 | 280 | 140 | 116 |
450 | 310 | 175 | 113 |
500 | 340 | 210 | 108 |
550 | 370 | 245 | 104 |
600 | 400 | 280 | 100 |
650 | 430 | 278 | 96 |
700 | 480 | 270 | 92 |
750 | 510 | 260 | 90 |
800 | 540 | 250 | 87 |
850 | 570 | 238 | 84 |
900 | 600 | 224 | 81 |
1000 | 680 | 200 | 75 |
1100 | 740 | 180 | 68 |
1200 | 800 | 160 | 58 |
1300 | 880 | 140 | 49 |
1400 | 940 | 120 | 40 |
1500 | 1020 | 98 | 30 |
1600 | 1080 | 74 |
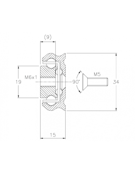
- Comprimento fechado (mm)
- 1300
- Material
- Aço
- Possibilidade Curso Duplo
- Sim
- Série
- R71
- Curso - Extensão [mm]
- 880
- CoRad - Carga Radial [N]
- 1400 (Por par de guias)
- CoAx - Carga Axial [N]
- 490 (Por par de guias)
- Bloqueio Aberto/Fechado
- :: Opcional ::
(R71V) Bloqueio Aberto
(R71F) Bloqueio Fechado
(R71VF) Bloqueio Aberto e Fechado - Lubrificante p/ Indústria Quimica, Alimentar (USDA-H1)
- A pedido
- Carga Radial - Kg
- 125 - 149
- Carga Axial - Kg
- 50 - 74



