Guia telescópica D402
Esta guia telescópica de 2 elementos é feita de alumínio anodizado incolor e oferece uma extensão parcial. Muito compacta, o seu deslizamento é particularmente regular, suave e silencioso. Destina-se a cargas leves.
Tabela de dados
As especificações dadas neste produto correspondem à produção padrão ou às exigências actuais. A Chambrelan como fabricante, é capaz de lhe oferecer uma grande flexibilidade para satisfazer os requisitos mais específicos. A Chambrelan pode estudar qualquer pedido relativo a comprimentos de guias telescópicas, comprimentos de desenvolvimento, perfurações, diâmetros e distâncias centrais, tratamentos de superfície, opções e acessórios de fixação.
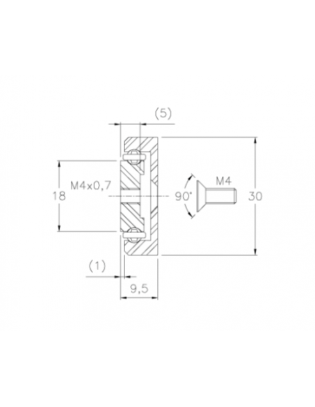
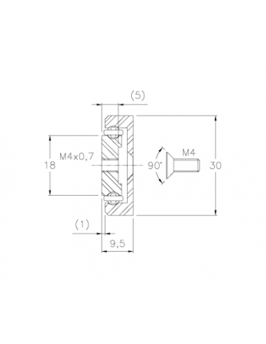
| Comprimento mm
| Extensão mm
| Carga radia por par Kg
| Carga axial por par Kg
|
| 150 | 70 | 13 | 6 |
| 200 | 120 | 16 | 9 |
| 250 | 160 | 20 | 11 |
| 300 | 180 | 26 | 13 |
| 350 | 230 | 30 | 14 |
| 400 | 280 | 32 | 14 |
| 450 | 300 | 33 | 13 |
| 500 | 330 | 33 | 13 |
| 550 | 350 | 31 | 12 |
| 600 | 400 | 28 | 10 |
| 650 | 450 | 25 | 8 |
Opções
Sistema de fecho manual
D402V bloqueio aberto: quando estendida, pressionar a fechadura para dobrar.
D402F bloqueio fechado: quando dobrada, a fechadura deve ser pressionada para se desdobrar.
D402VF bloqueio aberto e fechado: quando dobrada, a fechadura deve ser accionada para a desdobrar e quando estendida, a fechadura deve ser pressionada para a dobrar.
Na maioria dos casos, apenas uma lâmina de bloqueio pode ser utilizada para trancar toda a gaveta. Isto torna fácil a instalação e a utilização.
Se estiver a instalar em veículos, por favor consulte-nos se estiver a planear utilizar lâminas de bloqueio.
A presença de bloqueios torna impossível o fabrico de certos comprimentos curtos. Além disso, algumas perfurações padrão podem ser impossíveis de fazer.
Não recomendamos a utilização de bloqueios para instalação vertical (tipo guilhotina).
Duplo desenvolvimento (DD)
D402DD a guia abre-se de ambos os lados. Isto torna possível a criação de fechaduras de transferência, por exemplo.
A opção DD não é compatível com qualquer sistema de bloqueio.
Extensão (D)
D46, o cursor (pequeno elemento da corrediça) pode ser puxado para fora e reinserido na corrediça. Esta opção pode ser útil em situações difíceis de montagem ou para aplicações que exijam manutenção externa.
Tratamentos de superfície
Esta guia pode ser fornecida com uma protecção anodizada dura, que oferece, para além da resistência à corrosão, uma maior resistência à esteira de esferas. Esta opção pode ser justificada em caso de aplicações sujeitas a vibrações.
A anodização dura não é recomendada para bloqueio aberto.
Montagem com esferas de aço inoxidável
Pode ser montado com esferas de aço inoxidável a fim de obter uma muito boa resistência à corrosão, o que em alguns casos pode oferecer uma alternativa económica às guias de aço inoxidável.
Utilização em alta temperatura (tipo de forno)
Não recomendamos a utilização deste produto fora da gama de temperaturas recomendada.
Modificação da extensão padrão
A extensão proposta neste modelo não pode ser modificada. A pedido, podemos fabricar um modelo com a extensão desejada.
Um aumento da extensão reduz a carga máxima admissível.
Montagem vertical (tipo guilhotina)
Esta lâmina pode ser montada verticalmente (tipo guilhotina).
Aplicações
Este guia foi concebido para aplicações simples com cargas leves e tempos de ciclo reduzidos. Exemplos incluem coberturas ou caixas de protecção de máquinas, suportes de teclado retrácteis, ou gavetas deslizantes com cargas baixas. Muito leve, está particularmente bem adaptado às aplicações aeronáuticas. Abre-se de ambos os lados. Isto torna possível a criação de fechaduras de transferência, por exemplo.
Temperaturas de funcionamento recomendadas de -20 a 80°C.
Evite instalar estas guias em aplicações sujeitas a vibrações severas, caso contrário, os perfis serão rapidamente desgastados pelas esferas. Não hesite em consultar-nos.
Como esta corrediça é muito compacta, evite montá-la plana: risco de bloquear os elementos uns contra os outros ao abrir. Além disso, uma montagem plana induz uma deflexão significativa.
Estes diapositivos não são concebidos para resistir a uma utilização intensiva.
Este produto pode ser utilizado como gaveta de teclado, corrediça de caixa, barra telescópica ou haste telescópica, corrediça de gaveta, corrediça para móveis, guiamento em translação, carril de manuseamento, carril suspenso, guia horizontal ou, em alguns casos, em guia vertical como para uma guia de caixa.
Lubrificação
Como padrão, as guias são ligeiramente lubrificados. É utilizada uma massa lubrificante de alta pressão para lâminas de aço, e uma massa lubrificante branca para lâminas de alumínio e aço inoxidável. A pedido, pode ser utilizada uma massa lubrificante de qualidade alimentar (compatível com salas limpas), uma massa lubrificante de alta temperatura, uma massa lubrificante sem teflon (cabines de pintura), uma montagem sem lubrificante (embora não recomendamos esta possibilidade).
Uma massa lubrificante de qualidade alimentar, combinada com esferas de aço inoxidável, oferece uma alternativa económica a todas as guias de aço inoxidável.
Modelos semelhantes
Este modelo tem modelos equivalentes com dimensões globais e padrões de perfuração semelhantes ou idênticos:
D444 - Guia Telescópica de Extensão Total, Alumínio.
R28 - Guia Telescópica de Extensão Parcial, Aço.
RA44 - Guia Telescópica de Extensão Total, Aço.
RA654 - Guia Telescópica de Super Extensão, Aço.
D409-AL40 – Guia linear de rolamento de esferas, Alumínio.
E28-G40 – Guia linear de rolamentos de esferas, Aço.
.png)
- Comprimento fechado (mm)
- 200
- Material
- Alumínio
- Possibilidade Curso Duplo
- Sim
- Série
- D402
- Curso - Extensão [mm]
- 70
- CoRad - Carga Radial [N]
- 130 (Por par de guias)
- CoAx - Carga Axial [N]
- 60 (Por par de guias)
- Bloqueio Aberto/Fechado
- :: Opcional ::
(D53VV) Bloqueio Aberto
(D53F) Bloqueio Fechado
(D53VF) Bloqueio Aberto e Fechado - Lubrificante p/ Indústria Quimica, Alimentar (USDA-H1)
- A pedido
- Carga Radial - Kg
- 0 - 49
- Carga Axial - Kg
- 0 - 24



