Guia Telescópica ST26
A série ST 26 refere-se a guias de extensão parcial em INOX
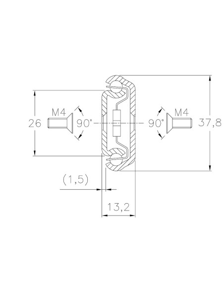
Esta corrediça telescópica de aço inoxidável de 2 elementos, permite uma extensão parcial.
O design é extramamente simples e fiável, permitindo um movimento suave e silencioso.
Muito compacta, destina-se a cargas médias em aplicações que exigem um atravancamento muito reduzido.
|
|
|
- Comprimento fechado (mm)
- 400
- Material
- Inox
- Possibilidade Curso Duplo
- Sim
- Série
- ST26
- Curso - Extensão [mm]
- 295
- CoRad - Carga Radial [N]
- 700 (Por par de guias)
- CoAx - Carga Axial [N]
- 220 (Por par de guias)
- Lubrificante p/ Indústria Quimica, Alimentar (USDA-H1)
- A pedido
- Carga Radial - Kg
- 50 - 74
- Carga Axial - Kg
- 0 - 24
No reviews






