Matriz M0770 HR 85º

Matriz M0770 HR 85º

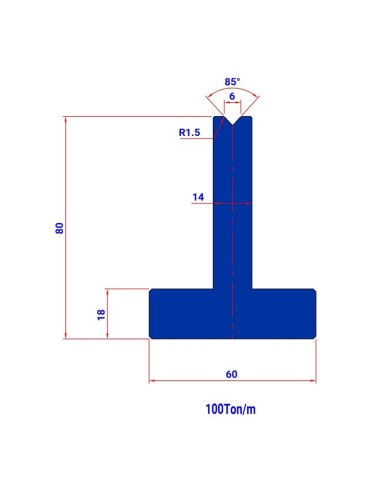
Matriz M0770 HR 85º de tipo Europeu, com V de 6mm, 80mm de altura e ângulo de 85º.

Disponível em comprimentos normalizados de 835mm, 415mm e 835mm seccionados.

 

Matrizes com fixação normalizada tipo Europeu, disponível com diferentes raios para obter os melhores resultados de quinagem.

Disponível em comprimentos normalizados de 835mm, 415mm e 835mm seccionados.

Os punções da Toolspress estão disponíveis nos seguintes materiais e durezas:

  • Série IH – em aço C45, temperados por indução na zona de trabalho com dureza de 55 a 58 HRC.
  • Série HR – em aço especial ligado 42CrMo4, temperado e revenido com dureza de 23 a 28 HRC no corpo e temperados por indução na zona de trabalho para obter uma dureza de 55 a 58 HRC.
  • Série TH – em aço especial ligado 42CrMo4, com total profundidade de têmpera e dureza de 45 a 49 HRC em toda a ferramenta.
  • Série GOLD – disponível apenas em referências selecionadas, possui um tratamento superficial  que lhe permite obter durezas de 800 a 950 HV.          

m0770-85-tab.JPG

Tipo de Ferramenta
Matriz
Dimensão do V (mm)
6
Altura (mm)
80
Ânguloº
85º
No reviews
Product added to compare.

Aceito os cookies do website para obter uma melhor experiência de navegação