Esfera de Transferência sólida c/flange inferior e suspensão mini Aço/Aço 25-125
Concepção e desenvolvimento
Esta Unidade Esferas de Transferência de Schulz consiste em um corpo e uma tampa como partes sólidas torneadas, uma esfera de rolamento e várias esferas de apoio.
À volta desta existe outra caixa que serve de corpo para a mola. Este tipo de esferas de transferência com mola, impedem
danos que podem ocorrer devido a cargas provocadas por choques.
Dimensionamento
O passo é determinado pela divisão do comprimento mais curto da aresta do material transportado por 3,5.
Materiais
Corpo da esfera de rolamento: aço galvanizado temperado
Corpo da mola : aço
Tampa: Aço galvanizado
Copo das esferas: aço temperado
Esferas de apoio: Aço para ferramentas (temperado), aço inoxidável (temperado)
Esfera de rolamento: aço ferramenta (temperado), aço inoxidável (temperado), plástico
Mola: 1.4310 ou 1.200
Condições de funcionamento
Gama de temperaturas de -30°C a +100°C (até +30°C com bola de suporte de plástico)
velocidade de transporte até 1,5 m/s.
capacidades de carga dinâmica até um máximo de 2.500 kg*.
* dependendo da força da mola ajustável F1
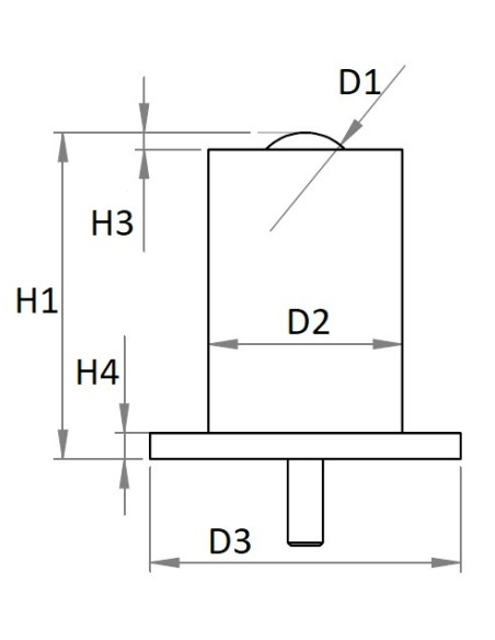
- Sphere load capacity
- 125 Kg
- D4 (mm)
- 60,2
- D5 (mm)
- 5,1
- H1 (mm)
- 71,8
- H3 (mm)
- 3,8
- F1 (N)
- 96-139
- Material do Corpo / Esfera
- Aço / Aço
- Tipo de Esfera de Transferência
- Sem flange e com suspensão
- D1 - Diâmetro da esfera de transferência (mm)
- 25
- D2 - Diâmetro do rolamento de esfera (mm)
- 45



